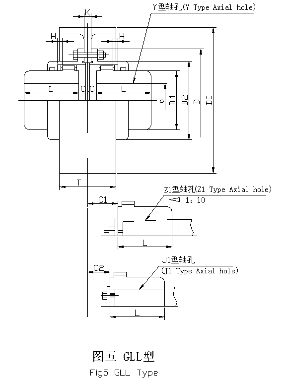
表五 (Table 5)
|
型號 |
公稱 轉(zhuǎn)矩 Tn N.m |
許用 轉(zhuǎn)速 [n] r/min |
軸孔 直徑 |
軸孔長度 L |
D0 |
D |
D2 |
D4 |
B |
H |
C |
C1 |
C2 |
重量 kg |
轉(zhuǎn)動 慣量 kg.m2 |
潤 滑 脂 kg |
||
|
Y |
J1Z1 |
|||||||||||||||||
|
dmin |
dmax |
|||||||||||||||||
|
GLL1 |
630 |
4000 |
20 |
24 |
52 |
38 |
160 |
115 |
83 |
60 |
60 |
2 |
10 |
15 |
- |
5.5 |
0.025 |
0.10 |
|
25 |
28 |
62 |
44 |
4 |
19 |
|||||||||||||
|
30 |
38 |
82 |
60 |
23 |
12 |
|||||||||||||
|
40 |
42 |
112 |
84 |
29 |
||||||||||||||
|
GLL2 |
1000 |
4000 |
22 |
24 |
52 |
38 |
200 |
128 |
96 |
75 |
61 |
2 |
10 |
24 |
- |
8.5 |
0.040 |
0.15 |
|
25 |
28 |
62 |
44 |
4 |
19 |
|||||||||||||
|
30 |
38 |
82 |
60 |
23 |
14 |
|||||||||||||
|
40 |
56 |
112 |
84 |
29 |
||||||||||||||
|
GLL3 |
1800 |
4000 |
25 |
28 |
62 |
44 |
200 |
145 |
112 |
90 |
72.5 |
2 |
12 |
19 |
- |
12 |
0.085 |
0.20 |
|
30 |
38 |
82 |
60 |
4 |
23 |
14 |
||||||||||||
|
40 |
56 |
112 |
84 |
29 |
||||||||||||||
|
60 |
63 |
142 |
107 |
36 |
||||||||||||||
|
GLL4 |
2800 |
4000 |
30 |
38 |
82 |
60 |
250 |
165 |
132 |
105 |
75 |
2.5 |
5 |
23 |
17 |
18 |
0.155 |
0.28 |
|
40 |
56 |
112 |
84 |
29 |
||||||||||||||
|
60 |
75 |
142 |
107 |
36 |
||||||||||||||
|
GLL5 |
4500 |
4000 |
30 |
38 |
82 |
60 |
315 |
185 |
153 |
125 |
81 |
2.5 |
5 |
23 |
17 |
25 |
0.280 |
0.45 |
|
40 |
56 |
112 |
84 |
29 |
||||||||||||||
|
60 |
75 |
142 |
107 |
36 |
||||||||||||||
|
80 |
90 |
172 |
132 |
41 |
||||||||||||||
|
GLL6 |
6300 |
3750 |
40 |
56 |
112 |
84 |
315 400 |
206 |
170 |
140 |
92 |
2.5 |
5 |
29 |
20 |
38 |
0.450 |
0.65 |
|
60 |
75 |
142 |
107 |
36 |
||||||||||||||
|
80 |
95 |
172 |
132 |
41 |
||||||||||||||
|
100 |
- |
212 |
167 |
48 |
||||||||||||||
|
GLL7 |
10000 |
3300 |
40 |
56 |
112 |
84 |
400 500 |
230 |
188 |
155 |
103 |
3 |
6 |
29 |
20 |
50 |
0.780 |
0.80 |
|
60 |
75 |
142 |
107 |
38 |
||||||||||||||
|
80 |
95 |
172 |
132 |
43 |
||||||||||||||
|
100 |
110 |
212 |
167 |
48 |
||||||||||||||
|
GLL8 |
14000 |
3000 |
60 |
75 |
142 |
107 |
400 500 |
258 |
214 |
180 |
110 |
3 |
6 |
38 |
20 |
75 |
1.400 |
0.95 |
|
80 |
95 |
172 |
132 |
43 |
||||||||||||||
|
100 |
125 |
212 |
167 |
48 |
||||||||||||||
|
130 |
- |
252 |
202 |
53 |
||||||||||||||
續(xù)表五 (Table 5 continued)
|
型號 |
公稱 轉(zhuǎn)矩 Tn N.m |
許用 轉(zhuǎn)速 [n] r/min |
軸孔 直徑 |
軸孔長度 L |
D0 |
D |
D2 |
D4 |
B |
H |
C |
C1 |
C2 |
重量 kg |
轉(zhuǎn)動 慣量 kg.m2 |
潤滑脂 kg |
||
|
Y |
J1Z1 |
|||||||||||||||||
|
dmin |
dmax |
|||||||||||||||||
|
GLL9 |
20000 |
2650 |
60 |
75 |
142 |
107 |
400 500 |
290 |
242 |
200 |
118 |
3.5 |
7 |
38 |
28 |
100 |
2.500 |
1.30 |
|
80 |
95 |
172 |
132 |
|||||||||||||||
|
43 |
||||||||||||||||||
|
100 |
125 |
212 |
167 |
|||||||||||||||
|
48 |
||||||||||||||||||
|
130 |
150 |
252 |
202 |
53 |
||||||||||||||
|
GLL10 |
31500 |
2350 |
75 |
- |
142 |
107 |
400 500 630 |
325 |
276 |
230 |
131 |
3.5 |
7 |
38 |
28 |
150 |
5.100 |
1.60 |
|
80 |
95 |
172 |
132 |
43 |
||||||||||||||
|
100 |
125 |
212 |
167 |
48 |
||||||||||||||
|
130 |
150 |
252 |
202 |
53 |
||||||||||||||
|
160 |
170 |
302 |
242 |
63 |
||||||||||||||
|
GLL11 |
45000 |
2100 |
85 |
95 |
172 |
132 |
500 630 710 |
365 |
315 |
265 |
140 |
4 |
8 |
43 |
32 |
230 |
9.000 |
2.00 |
|
100 |
125 |
212 |
167 |
48 |
||||||||||||||
|
130 |
150 |
252 |
202 |
53 |
||||||||||||||
|
160 |
180 |
302 |
242 |
63 |
||||||||||||||
|
GLL12 |
63000 |
1850 |
120 |
125 |
212 |
167 |
500 630 710 |
412 |
352 |
300 |
161 |
4.5 |
9 |
48 |
32 |
315 |
16.000 |
3.40 |
|
130 |
150 |
252 |
202 |
53 |
||||||||||||||
|
160 |
180 |
302 |
242 |
63 |
||||||||||||||
|
190 |
200 |
352 |
282 |
76 |
||||||||||||||
|
GLL13 |
100000 |
1650 |
140 |
150 |
252 |
202 |
630 710 |
462 |
400 |
335 |
171.5 |
5.5 |
11 |
53 |
32 |
450 |
32.000 |
4.50 |
|
160 |
180 |
302 |
242 |
63 |
||||||||||||||
|
190 |
220 |
352 |
282 |
76 |
||||||||||||||
|
GLL14 |
160000 |
1500 |
160 |
180 |
302 |
242 |
710 800 |
515 |
450 |
380 |
179.5 |
5.5 |
11 |
63 |
38 |
600 |
55.000 |
6.60 |
|
190 |
220 |
352 |
282 |
76 |
||||||||||||||
|
240 |
260 |
410 |
330 |
- |
||||||||||||||
|
注: 1.重量、轉(zhuǎn)動慣量是按最大軸孔直徑Y(jié)型孔計算的近似值,未計算制動盤。 2.重量、轉(zhuǎn)動慣量不含制動盤。 |
||||||||||||||||||
表七 (Table 7)
|
制動輪直徑 |
T |
K |
重量 |
轉(zhuǎn)動慣量 |
|
160 |
70 |
6 |
2.83 |
0.014 |
|
200 |
85 |
8 |
5.20 |
0.043 |
|
250 |
105 |
10 |
10.10 |
0.128 |
|
315 |
135 |
12 |
17.20 |
0.354 |
|
400 |
170 |
14 |
33.40 |
1.110 |
|
500 |
210 |
18 |
56.30 |
3.070 |
|
630 |
265 |
22 |
101.30 |
8.550 |
|
710 |
300 |
22 |
145.80 |
15.520 |
|
800 |
340 |
26 |
203.00 |
26.760 |




